電話:
郵箱:admin@yulehu.cc
地址:西安市華南城B區2街7棟3号(華南城6号門第 一排秦東銀行東50米)
陝西南方泵業 CDM,CDMF輕型立式多級離心泵 陝西南方CDL,CDLF輕型立式多級離心泵 陝西離心泵-南方泵業 CDME,CDMFE立式多級智能變頻泵 陝西離心泵-高溫型CDMF輕型立式多級離心泵
陝西WQD型單項家用潛水排污泵 陝西WQ系列無堵塞固定式潛水排污泵 陝西JYWQ自動攪勻排污泵 陝西WQ污水泵
陝西雪橇式潛水泵 陝西QSP噴泉專用泵 陝西D、DG型卧式多級離心泵 陝西CDL/CDLF立式多級不鏽鋼沖壓泵
陝西CDL(F)不鏽鋼多級泵 陝西GDL型立式多級離心泵 陝西SG系列管道泵--ISG普通型 陝西IRG型立式熱水離心泵
陝西QJ型深井潛水電泵 陝西雪橇式潛水泵 陝西QJ潛水泵不鏽鋼外殼 陝西不鏽鋼潛水泵
陝西300QJ型井用潛水電泵 陝西250QJ型井用潛水電泵 陝西200QJ型井用潛水電泵 陝西175QJ型井用潛水電泵
陝西消防機械應急櫃 陝西雙電源控制櫃 陝西噴淋泵控制櫃 陝西消防穩壓設備
陝西家用(商用)卧式不鏽鋼變頻增壓泵 陝西單泵變頻增壓設備 陝西超靜音管中泵無負壓給水設備 陝西無負壓變頻供水設備
陝西NL污水泥漿泵 陝西FY型液下泵
陝西QSP噴泉專用泵 陝西噴泉泵
陝西WQ型排污泵
陝西QBY隔膜泵 陝西QBK隔膜泵 陝西DBY隔膜泵
陝西漩渦泵 陝西W旋渦泵
陝西G單螺杆泵 陝西G型螺杆泵(配電磁調速電機) 陝西I-1B泥漿泵 陝西G系列單螺杆泵
陝西WCB型手提式齒輪油泵 陝西LQRY熱油泵 陝西KCB型齒輪油泵
陝西防爆油泵
陝西家用馬桶泵 陝西污水一體提升設備 陝西污水提升設備 陝西潛水攪拌機
陝西噴霧機
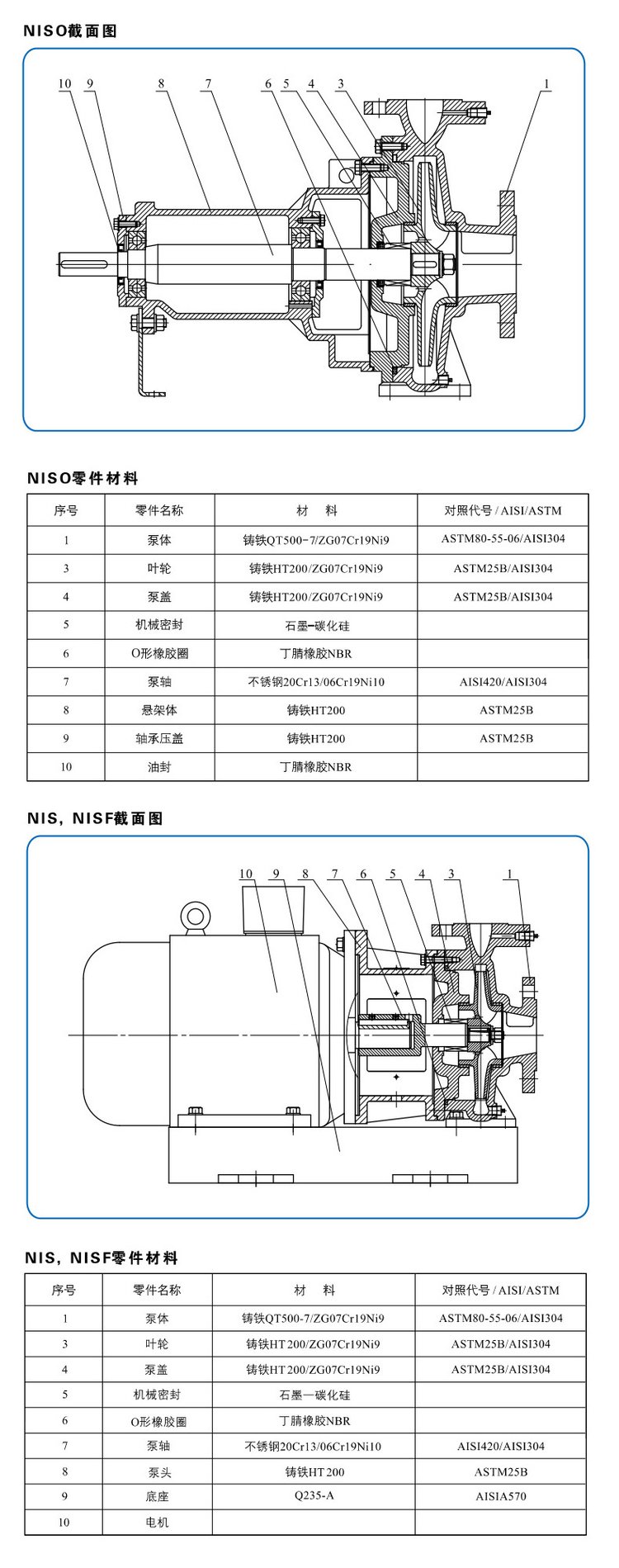
産品名稱:NISO,NIS,NISF端吸離心泵 技術參數 ...
産品名稱:NISO,NIS,NISF端吸離心泵
技術參數
LEAVE A MESSAGE